![]() |
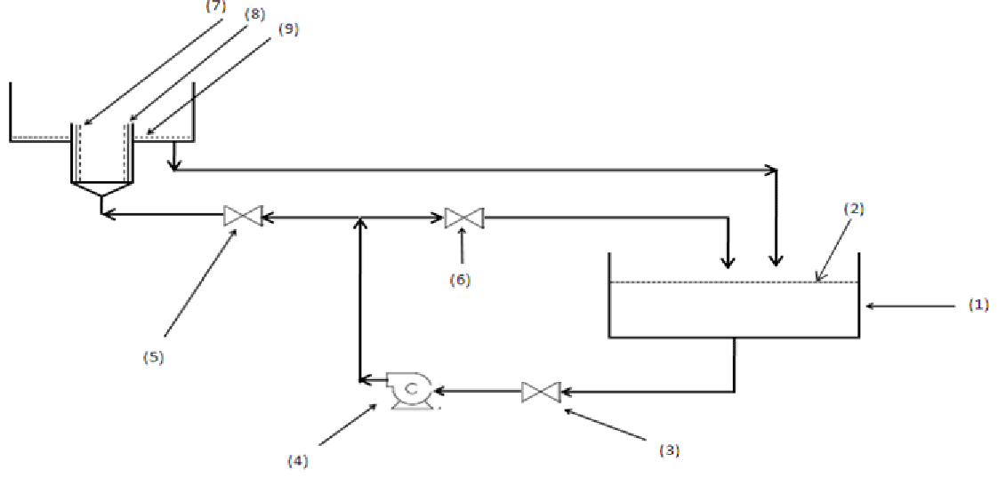
| Figure 2: Continuous electrocoagulation system. (1) Five liter Storage tank. (6) Bypass valve. (2) Contaminated solution. (7) Mesh screen Al anode. (3) Drain valve. (8) Cylindrical Al cathode. (4) Plastic Pump (0.12 hp). (9) Sludge filtration screen. (5) Main valve. |