![]() |
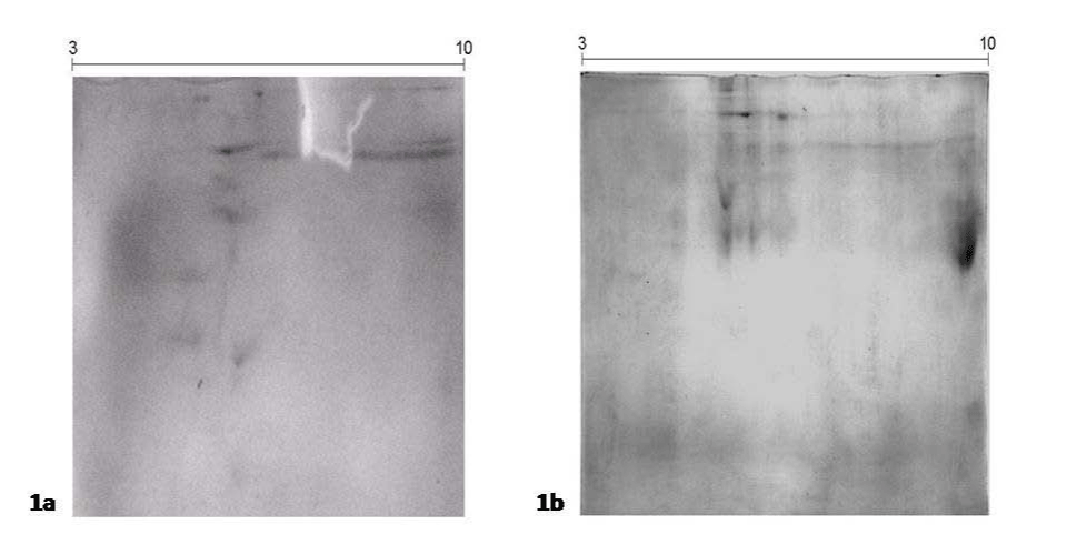
| Figure 1: (1a) Rehydration buffer-I optimization for leaf proteins of C.
dactylon with rehydration buffer-I: Proteins were extracted with phenolic/
ammonium acetate method from C. dactylon leaves and isolated. The sample
was solubilized in the rehydration buffer-I and run for IEF according to the
conditions as given in the materials and method section. 3 mg of proteins were
loaded for IEF separation using immobilized pH gradient strips (3-10). SDSPAGE
gel was stained with coomassie brilliant blue. (1b) Optimizing rehydration time: The 2-DE was performed according to the same conditions as for figure 1a with the exception of 14 hrs rehydration time rather 12 hrs. |